Danas ćemo pogledati od čega se sastoje električni repelenti u obliku lopatice, reketa, mlatilice ili kako god već to nazvali, odnosno naprave kojima trebamo pogoditi insekte u letu i spržiti ih visokim naponom.
Ovo su primjeri svojevrsnih električnih inačica dobro poznate i raširene mehaničke mlatilice za dosadne insekte koji vam zuje oko glave. Osnovna prednost ovakvih električnih repelenata je manji utrošak vlastite snage kod borbe sa insektima, ondnosno insekta nije potrebno (ni poželjno) uništiti čistom kinetičkom energijom već će to umjesto vas učiniti visoki napon. Međutim, i dalje je nekako potrebno ostvariti onaj početni kontakt uređaja i insekta, što je zapravo i najteži dio cijele te operacije.
Koliko je ova električna inačica mlatilice insekata u konačnici bolja, praktičnija i učinkovitija od dobre stare ručne (manualne) mlatilice, svakako je podložno široj raspravi i podjeli različitih iskustava. Manualne mlatilice su lagane i elastične tako da se postiže puno veća brzina zamaha prema insektu za razliku od posve krutih, teških i nezgrapnih električnih mlatilica. Električne mlatilice su posebno sklone da se razbiju u komadiće ako u žaru napada na insekte zakvačimo kakav kućni namještaj. Manualnom mlatilicom se isto tako lakše gađaju insekti koji miruju, odnosno slete na neku površinu, a ako vam slete negdje na kožu onda upotreba visokonaponske električne mlatilice možda i nije najbolje rješenje. Generalno gledano kod insekata je najvažnija brzina djelovanja kao i sigurno djelovanje „u zraku i na kopnu“, a tu se onda traži lagana, elastična i odmah spremna mlatilica što ove električne svakako nisu. Iz osobnog iskustva i iskustva ljudi s kojima sam podijelio ovu temu, mogu izvesti zaključak da svi koji su kupili električnu mlatilicu, prije ili kasnije su se ipak vratili dobroj staroj manualnoj mlatilici. Rijetko tko je ostao vjeran električnoj mlatilici duže od trajanja prvih baterija umetnutih u nju.
Postoje i električni repelenti dizajnirani da budu stacionarni, odnosno da njima ne treba mahati po zraku. Takvi repelenti uz visokonaponske elektrode imaju postavljene posebne lampe (UV) koje bi trebale privlačiti insekte na elektrode. Jedno vrijeme sam probno koristio i takve naprave i nisu se pokazale previše učinkovite. One će kroz nekoliko dana svakako privući i spržiti određenu količinu letećih insekata, no to je doslovno kap u moru insekata koji vam i dalje neumorno kruže oko glave u nekim sparnim ljetnim mjesecima.
Svi se mi svakog ljeta borimo protiv komaraca i muha, tako da je već opće poznato da su električni repelenti bilo kojeg tipa u praksi vrlo malo učinkoviti, da ne kažem posve neučinkoviti. To posebno možemo potvrditi za one tipove električnih repelenata koji ne ubijaju insekte izravno visokim naponom nego bi ih samo trebali tjerati ili odbijati ultrazvukovima, elektromagnetskim poljima i sličnim „naprednim“ tehnologijama koje teoretski možda dobro zvuče ali u praksi jednostavno ne funkcioniraju (vidi objavu Elektronički repelent „Pest repeller“).
Visokonaponski električni repelenti uobičajeno dolaze sa dva dizajna izloženih elektroda. U najjednostavnijem obliku to su paralelne žice na međusobnom razmaku 3-4 mm naizmjenično vezane na polove visokonaponskog izvora. Insekt ovdje treba svojim tijelom dotaknuti dvije susjedne elektrode, kako bi se preko njega ispraznio visokonaponski naboj. U drugom sistemu koriste se tri međusobno paralelno postavljene visokonaponske električne mrežice gdje su dvije vanjske mrežice su na jednom polu napona, a unutrašnja mrežica na drugom polu napona. Razmak između mrežica je opet 3-4 mm.
Glede razmaka, napon između elektroda kod ovakvih uređaja je tipično 500-2500 V tako da se elektrode moraju rasporediti na siguran razmak jedna od druge, kako između njih ne bi probijala električna iskra. Time sigurni razmak između elektroda mora biti 3-4 mm, pa uvijek postoji mogućnost da neki manji insekt prođe između elektroda bez da istovremeno dotakne dvije susjedne elektrode. Kod sistema sa tri mrežice ta mogućnost je nešto manja jer bi se insekt morao provući kroz dva para mrežastih elektroda. No, u oba slučaja insekt manji od 2-3 mm u većini slučaja može proći kroz elektrode bez da zatvori strujni krug.
Naizmjenično vezani parovi paralelno postavljenih elektroda na raznaku 3-4 mm.
Sistem sa tri mrežice (elektrode), međusobno paralelno postavljenih na udaljenosti 3-4 mm. Dvije vanjske (rjeđe) elektrode su na jednom potencijalu, a srednja (gušća) elektroda je drugom potencijalu visokog napona. Insekt mora premostiti središnju elektrodu i jednu od vanjskih elektroda.
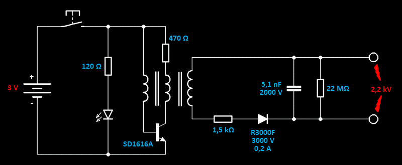
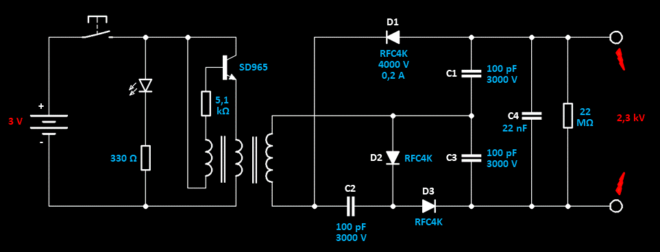
Elektronika u električnim repelentima kao što vidimo nije kompleksa i začudo ne sadrži namjenske čipove i mikrokontrolere 🙂 Shema je zapravo prilično primitivna. Može se vidjeti da je u sva tri slučaja centralna komponenta mali visokonaponski transformator gdje je na primarnoj strani radi tranzistorski oscilator, a na sekundarnoj strani su VN diode i kondenzatori. Napajanje je u sva tri slučaja 3 V (2 x AA 1,5 V).
Ovo je najjednostavnija izvedba od naša tri VN električna repelenta. Primar visokonaponskog transformatora pogoni vrlo jednostavan impulsni (bloking, relaksacijski) tranzistorski oscilator kojem se oscilacije na bazi tranzistora podržavaju preko posebnog namotaja na VN transformatoru. Za razliku od sinusnih oscilatora, gdje tranzistor stalno radi kao pojačalo, kod ovakvih impulsnih oscilatora tranzistor je gledano u vremenskoj domeni većinu vremena zatvoren (u mirovanju, ne vodi), a otvoren je samo u kratkom vremenu dok proizvodi impuls. S obzirom da je većinu vremena tranzistor zatvoren (blokiran) ovakvi oscilatori se ponegdje zovu bloking oscilatori. Jednako tako se koristi i termin relaksacijski oscilator jer nakon dužih vremena relaksacije (mirovanja) slijedi kratko impulsno (aktivno) razdoblje. Međutim, termin relaksacijski oscilator se koristi i za sve druge oscilatore koji proizvode izlazni signal različit od sinusnog (pravokutni, trokutasti, pilasti i slično).
Možemo vidjeti da u krugu baze našeg impulsnog oscilatora nema nikakvih vanjskih RC ili LC elemenata tako da je frekvencija oscilacija ovdje ovisna isključivo o induktivitetu magnetiziranja transformatora, internom (parazitskom) kapacitetu između namotaja transformatora i o naponu napajanja, odnosno o opterećenju kolektorskog kruga tranzistora. Frekvencija rada ovih oscilatora je inače tipično nekoliko kHz, no ta frekvencija uopće nije kritična za našu promjenu i može biti u širokom rasponu.
U sekundarnom krugu se koristi ispravljačka dioda koja blokira eventualne negativne naponske pikove, tako da se izlazni kondenzator može nabiti na vršnu vrijednost pozitivnog impulsnog napona. Obično se koriste brze diode s obzirom da su frekvencije oscilatora reda nekoliko kHz.
Veličina izlaznog napona u ovom slučaju ovisi dakle isključivo o amplitudi impulsa na sekundaru transformatora, a količina uskladištenog naboja, odnosno maksimalna struja koju takav izvor može dati ovisi naravno o kapacitetu kondenzatora C1.
Paralelno izlaznom kondenzatoru C1 dodan je bleeder otpornik relativno velike vrijednosti od 22 MΩ. Izlazni kondenzator je zapravo ključna komponenta ovog sklopa jer on akumulira slab strujni izvor impulsnog napona iz sekundara transformatora, kako bi se zatim taj akumulirani električni naboj mogao isprazniti preko insekta. Ukoliko se sklop aktivira, a akumulirani naboj se ne isprazni (insekt se promaši), onda bleeder otpornik relativno brzo isprazni nabijeni kondenzator na sigurnu vrijednost kako ne bi došlo do strujnog udara ukoliko korisnik prstima nešto čeprka po elektrodama.
Naša naprava dakle radi tako da preko insekta trenutno prazni uskladišteni naboj u kondenzatoru 10 nF, 1000 V. To nije veliki kapacitet kondenzatora i kontinuirana struja koju takav izvor može dati je vrlo mala. Osciloskopski snimak je napravljen sondom 1:100 na ulazu 1 MΩ, dakle ukupni unutrašnji otpor mjerenja je 100 MΩ, što sa bleeder otpornikom daje ukupno opterećenje od 18 MΩ. No, već i kod relativno visokog otpora je zbog kontinuiranog opterećenja pad napona toliki da amplitude dosežu svega oko 3 V. Kondenzator se kod takvog kontinuiranog opterećenja jednostavno ne stigne napuniti na napon iznad 3 V niti se napon na njemu može zadržati unatoč frekvenciji impulsnog osvježavanja od 5,4 kHz.
Više napone kod mjerenja bi svakako dobili uklanjanjem bleeder otpornika od 22 MΩ, no snimak nam ovdje lijepo pokazuje krivulju punjenja i pražnjenja kondenzatora frekvencijom rada impulsnog oscilatora od 5,4 kHz. Stvarni maksimalni napon na koji se puni kondenzator pak možemo izmjeriti elektrostatskim voltmetrom koji ima izuzetno veliki unutrašnji otpor i može mjeriti sve vrste napona. Mjerenje je našim Visokonaponskim elektrostatskim voltmetrom Type C96 je pokazalo da je napon na kondenzatoru kod ovog sklopa oko 600 V.
Slijedeći primjer električnog repelenta ima praktički jednaku elektroničku shemu, osim što su upotrijebljeni drugi tipovi i vrijednosti elemenata te je u sekundarni krug serijski dodan otpornik za ograničenje struje.
Ovdje smo na sekundaru elektrostatskim voltmetrom izmjerili puno veći napon nego u prvom primjeru (2200 V umjesto 600 V) što se može zahvaliti isključivo većem omjeru transformacije napona. Međutim, veći izlazni napon ne nosi trošak samo glede većeg broja namotaja sekundara transformatora, nego također dioda i kondenzator moraju biti dizajnirani za veće nominalne napone što podiže njihovu cijenu. Kondenzator je u cijeloj priči najskuplji, stoga je ovdje stavljen kondenzator dvostruko većeg napona ali i dvostruko manjeg kapaciteta.
Zbog 3,5 puta većeg izlaznog napona ovdje na istom unutrašnjem otporu osciloskopa mjerimo i jednako toliko puta veće vršne amplitude napona nego u prvom primjeru. Međutim, u ovom drugom primjeru je frekvencija oscilatora nešto niža, oko 4,5 kHz, te je upotrijebljen kondenzator dvostruko manjeg kapaciteta (5,1 nF umjesto 10 nF). Zbog ovoga je i mogućnost zadržavanja napona na kondenzatoru pod opterećenjem puno manja nego u prvom primjeru. Možemo primijetiti kako su strmine zadržavanja napona između impulsa puno više u prvom primjeru nego ovdje gdje su gotovo vodoravno položene. Ovdje gotovo da i ne preostaje zadržan nikakav napon na kondenzatoru nakon impulsa, isti se odmah potroši preko opterećenja.
Ovakve naprave se rade u vrlo velikim serijama masovne proizvodnje potrošačke elektronike, tako da cijena mora biti izuzetno konkurentna. Neki će proizvođači stoga koristiti niže radne napone i veće kapacitete kondenzatora, a drugi će primijeniti suprotnu topologiju sa većim naponima i kondenzatorima nižih kapaciteta, kako bi zadržali podjednak cjenovni rang proizvodnje.
Treći primjer električnog repelenta je nešto napredniji i u sekundarnom krugu ima utrostručivač napona napravljen od kombinacije tri diode i tri kondenzatora. U primarnom krugu pak je opterećenje (primarni namotaj) na emiteru (zajednički kolektor), umjesto na kolektoru (zajednički emiter) oscilatorskog tranzistora. Sa gledišta ovakvih jednostavnih impulsnih oscilatora, prednost postavljanja opterećenja u emiterski umjesto u kolektorski krug najviše se očituje u stabilnijoj širini generiranih impulsa. Opterećenje u emiterskom krugu djeluje kao negativna povratnu sprega čime se bolje stabilizira rad oscilatora, odnosno izlazne oscilacije su manje ovisne o strujnom pojačanju tranzistora. Općenito gledano impulsni oscilatori sa primarom transformatora u emiterskom krugu daju stabilniji i precizniji izlazni impulsni napon, no potreban je za oko 0,7 V veći prednapon baze. Pretpostavljam da se ovdje koristi spoj sa emiterskim opterećenjem najviše iz razloga jer oscilator radi na puno višoj frekvenciji od prethodna dva primjera (25 kHz umjesto 5 kHz) te je emiterski spoj nužan da se zadrži stabilnost oscilacija.
Što se tiče utrostručivača napona, vidimo da ovo nije uobičajeni spoj Cockcroft-Walton kaskadnog umnoživača napona kakav često susrećemo u našim objavama (vidi objavu Ionizator zraka – AETE). Ovo ovdje je kombinacija poluvalnog ispravljača (D1, C1) i udvostručivača napona sa D2/C2 i D3/C3. Poluvalni ispravljač D1, C1 je isti kao u prethodna dva primjera i C1 će se nabiti na vršni napon koji daje sekundar transformatora (na cca 700 V). Udvostručivač napona D2/C2 i D3/C3 ima dva stupnja te se na izlaznom kondenzatoru C3 dobiva dvostruki napon od cca 1400 V. Izlaz se zatim uzima sa serijskog spoja kondenzatora C1 (ispravljač) i C3 (udvostručivač) na kojima su naponi od 700 V i 1400 V, dakle ukupno 2100 V.
Radi uštede na cijeni kondenzatori u utrostručivaču napona su vrlo malih vrijednosti od svega 100 pF. Iako je izlazni kondenzator od 22 nF ovdje veći nego u prethodna primjera, on slabo zadržava napon na konstantnom opterećenju jer ga napajaju kondenzatori od svega 100 pF, unatoč tome što je frekvencija osvježavanja pet puta veća nego u prethodna dva primjera i iznosi oko 25 kHz. Na osciloskopskom snimku vidimo da je unatoč visokom izlaznom efektivnom naponu od 2,3 kV osjetljivost na opterećenje vrlo visoka, a oblik amplitude je produkt zbrojeva padova napona sa ispravljača (detektor vršnog napona) i udvostručivača napona.
Zaključno gledano, generatori visokog napona u ovakvim električnim repelentima imaju osnovni zahtjev isporučiti jedan kratki visokonaponski izboj, a vrijeme između dva takva izboja (vrijeme punjenja) može biti relativno veliko, svakako reda i nekoliko stotina ms. Da bi punjenje kondenzatora bilo što brže, mogu se koristiti veće frekvencije impulsnog oscilatora, no veće frekvencije nose i veće gubitke te veću mogućnost nestabilnosti rada oscilatora. Da bi kondenzator mogao isporučiti naponski što jači i vremenski što duži visokonaponski impuls, mora biti što većeg nominalnog napona i kapaciteta. To povećava cijenu pa se ovdje ne pretjeruje s tim performansama.
Ovi VN moduli koje smo izvadili iz električnih repelenata teško da se mogu iskoristiti za bilo koju drugu namjenu. Jednostavno su previše osjetljivi na opterećenja i sposobni su dati tek kratkotrajne strujne impulse.













