S obzirom da već duže radim na projektu izrade elektroničke mete za gađanje zračnim oružjem, ovdje želim proučiti izvedbu jednog jeftinog kineskog kronometra koji možete kupiti po cijeni 35-40 eura. Kao i većina drugih kineskih proizvoda široke potrošnje tako ni ovaj kronometar nema jasnu oznaku modela. Može se naći pod nazivom „Brand Name TTAKA7“, a na WiFi mrežu se prijavljuje pod nazivom HT50.
Sa donje strane je otvor za smještaj baterija i standardni vijak za fotografski stalak.
Kronometar HT50 omogućuje mjerenje brzina metaka u rasponu 1-999,9 m/s ili 30-9999 fps. Kao i većina sličnih kronometara, može računati energiju projektila ukoliko se unese njegova masa. Omogućuje memoriranje do 50 rezultata mjerenja i ima mogućnost WiFi slanja podataka na mobitel ili slični mrežni uređaj. Deklarirana točnost mjerenja je bolja od 0,5 %. Napaja se preko 4 AA baterije.
Princip rada ovog kronometra temelji se na mjerenju vremena koje je potrebno metku da prođe fiksnu i točno određenu udaljenost između dvije “svjetlosne zavjese”.
Svjetlosne zavjese (IC izvori)
Svjetlosne zavjese se sastoje od IC dioda kao izvora svjetla i IC foto-dioda kao senzora svjetla. Kao IC izvor se koristi 12 IC dioda promjera 5 mm. Međusobno su raspoređene na razmaku od 9,5 mm tako da je duljina čitave IC trake 105 mm. Traka je blago polukružno savijena (efekt reflektora) tako da je koncentracija ukupnog IC svjetla sužena na otprilike polovicu dužine. Na rub trake su dodane dvije zelene indikacijske LED koje označavaju granicu detektorskog polja.
Ovo je snimak svjetlosnog traga koji zrače IC diode. Vidi se da je ukupna koncentracija svjetla usmjerena na senzore i pokriva cijelu površinu unutar okvira kroz koji mora proći metak.
Shema spajanja 12 IC dioda (izvora) i dvije zelene indikacijske LED.
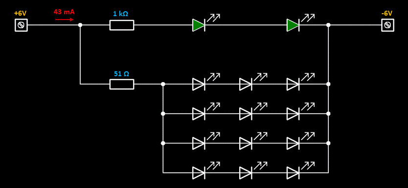
Baterijsko napajanje je 6 V tako da su IC diode vezane po tri u seriju, a tako dobivene četiri grupe su zatim paralelno vezane na napajanje, preko serijskog otpornika od 51 Ω. Izmjerio sam da je ukupna potrošnja jedne trake (12 IC dioda i dvije zelene LED) oko 43 mA. Na zelene LED otpada najviše 2 mA, a ostatak troše IC diode. To znači da svaka IC grana troši oko 10 mA struje.
Iz pokusa sa svjetlosnim zavjesama saznali smo da su jeftine generičke IC diode deklarirane za maksimalne struje do 35 mA dok kvalitetne IC diode od 5 mm poput Osram SFH4550 mogu kontinuirano raditi i na struji od 100 mA. Podaci o strujama nisu izravna usporedba jačina zračenja tih dioda jer generičke diode raspršuju zračenje pod kutovima većim od ±45°, dok SFH4550 koncentrira zračenje u snop širine ±3°.
Iako se čini da je jače bolje, naši testovi su pokazali da za svjetlosne zavjese to baš i nije tako. Bolje je radila svjetlosna zavjesa sa generičkim IC diodama slabog i širokog zračenja, nego sa snažnim IC diodama uskog snopa zračenja. Sa snažnim IC diodama, foto senzori lako ulaze u zasićenje tako da mali pad intenziteta svjetlosti uzrokovan prolaskom metka ne uzrokuje dovoljnu promjenu napona jer je senzor jednostavno “zaslijepljen”. Također, snažni snopovi svjetla snažno osvjetljavaju i susjedne senzore, tako da „zamračenje“ glavne IC diode uspješno nadoknađuju susjedne IC diode.
Kod ovakvih jeftinih uređaja masovne proizvodnje svaki cent uštede je bitan tako da se koriste najjeftiniji generički IC emiteri, međutim ovdje je to čak i poželjno. Iako problem slabih IC emitera može biti veća osjetljivost na ambijentalno i vanjsko svjetlo (lažne detekcije), to nije tako veliki problem kao potpuni izostanak detekcije koji bi se događao kad bi se koristili prejaki IC izvori. Struja od 10 mA je vjerojatno “sweet spot” za svjetlosne zavjese ovog kronometra koji ima aktivnu površinu visine oko 20 cm i širine 5-10 cm. Na toj struji IC diode s jedne strane ne daju previše svjetla, što ih čini maksimalno osjetljivima na sjenu dijabole, a s druge strane ne daju ni premalo svjetla, tako da osjetljivost senzora ne mora biti povećana do značajne osjetljivosti na vanjska svjetla.
U uputama se navodi da treba izbjegavati upotrebu ovog kronometra pri jakim Sunčevim ili umjetnim svjetlima, a iz ove naše analize je jasno zašto su dana ova ograničenja.
Svjetlosne zavjese (IC senzori)
Kao IC senzor, koristi se niz od 12 IC foto-dioda promjera 3 mm. Međusobno su raspoređene na razmaku od 4,5 mm tako da je duljina čitave senzorske trake 50 mm. Sve foto diode su vezane paralelno čime se one ponašaju kao jedan veliki, neprekinuti senzor. Struja koja teče kroz tu granu jednaka je sumi struja svih 12 foto-dioda. Čak i ako dijabola zakloni samo 5-10% ukupne površine jednog ili dva senzora, ukupna struja u krugu će pasti. Taj pad struje je mali, ali je nagli (brza promjena), što se onda koristi za detekciju.
Kod projekta svjetlosne zavjese za elektroničku metu mučili smo se kako maksimalno smanjiti sve kapacitete u senzorskom krugu kako bi dobili što brže vrijeme odziva. Znamo da sve diode, pa tako i foto-diode, imaju vlastiti unutarnji kapacitet. Kod paralelno vezanih dioda ukupni kapacitet se zbraja, a veći kapacitet u pravilu usporava sustav jer povećava RC vremensku konstantu. To znači da je potrebno više vremena da se napon promijeni. Glede toga, ovdje bi bilo logično da su foto-diode spojene serijski.
Međutim, kod ovakvih kronometra s paralelno spojenim foto-diodama, detektorska elektronika nije usmjerena na punjenje i pražnjenje kondenzatora, odnosno na napon, već je usmjerena na mjerenje struje koju foto-diode generiraju (ampermetar). To znači da su senzori spojeni na neki strujno-naponski pretvarač sa vrlo niskim ulaznim otporom (idealno nula). Tako glede RC konstante, ovdje istina imamo veći kapacitet (C) zbog paralelno spojenih dioda, međutim otpor (R) je praktično nula čime opet dobivamo vrlo malu ukupnu RC konstantu i time brzi odziv senzorskog kruga. Smanjenje R više ubrzava sustav nego što ga povećanje C usporava.
Što kad bi foto-diode ipak spojili u seriju? U tom slučaju bi ukupni kapacitet bio manji, ali bi unutarnji otpor niza dioda bio ogroman. Da bi signal prošao kroz serijski spoj dioda, on mora savladati otpor svih 12 dioda što bi u konačnici stvorilo tromiji sustav. Zbirni otpor dioda bi bio toliko velik da bi i onaj mali serijski kapacitet stvorio “trom” signal.
U paralelnom spoju, struja kroz krug je suma struja svih 12 dioda. Kada metak prođe i zakloni jednu diodu, ukupna struja padne za otprilike 8% (1/12). To je sasvim dovoljno da operacijsko pojačalo detektira pad. U serijskom spoju, struja u cijelom krugu je ograničena onom diodom koja prima najmanje svjetla. Da bi serijski spoj radio, metak bi morao skoro potpuno prekriti jednu diodu da bi značajno promijenio struju cijelog niza. Budući da je metak mali i leti brzo, u serijskom spoju bi bilo puno više “lažnih” signala ili potpunog izostanka detekcije ako metak ne pogodi točan centar diode.
Detektorska elektronika
Na pločici možemo uočiti pet integriranih krugova:
- LM258 – dva operacijska pojačala
- LM393 – dva diferencijalna komparatora
- 74HC164D – posmični registar
- STC8H1K08 – mikrokontroler
- ESP8285 – WiFi kontroler
Tiskana pločica je sa crnom maskom gdje su tiskane veze praktički nevidljive, no čak i da je standardna zelena (poluprozirna) maska teško bi na ovako maloj pločici išta mogli pratiti. Ipak, na osnovu ugrađenih integriranih krugova možemo prilično točno pretpostaviti kako funkcionira senzorska elektronika.
LM258 (Operacijska pojačala)
Sve foto-diode su spojene paralelno u fotokonduktivnom režimu (inverzno polarizirane). One su spojene na napajanje preko jednog zajedničkog pull-up (ili pull-down) otpornika. Kroz taj otpornik teče suma struja svih 12 IC dioda, te sa njemu stvara stalni DC napon.
Između zajedničkog otpornika i ulaza u LM258 nalazi se kondenzator (obično 100 nF do 1 µF). Njegova uloga je blokiranje DC napona kojeg preko foto-dioda stvara stalno ambijentalno svjetlo, odnosno sva svjetla koja sporo mijenjanju intenzitet. Kondenzator propušta samo naglu promjenu napona. Kada metak prođe, struja naglo padne, napon na otporniku “trzne”, i taj trzaj (puls) prolazi kroz kondenzator izravno na ulaz pojačala.
Operacijska pojačala LM258 su konfigurirana kao strujno-naponski pretvarači (jedno za ulaznu zavjesu i drugo za izlaznu zavjesu). Takva konfiguracija se naziva transimpedancijsko pojačalo (TIA) i karakteristika je vrlo niska ulazna i izlazna impedancija čak i uz vrlo visoko pojačanje. Veličina pojačanja jednaka je otporu povratne sprege. Ako je otpornik u povratnoj sprezi velik (npr. 1 MΩ), čak i sićušni pad struje od 1 µA stvara mjerljiv skok od 1 V na izlazu. Pojačala u TIA spoju se najčešće koriste upravo kao ulazni krugovi za foto-diode i druge foto-detektore. Već smo kod opisa foto-dioda objasnili zašto je niska ulazna impedancija ključna za održavanje male RC konstante i time brzog odziva senzora.
Iako samo operacijsko pojačalo (kao što je LM258) ima ekstremno veliku ulaznu impedanciju na svojim pinovima, u TIA spoju se događa efekt virtualne mase.
Negativna povratna veza (preko otpornika Rf) stalno pokušava održati razliku napona između ulaza (+) i (-) na nuli. Kada foto-dioda preko kondenzatora ubaci strujni impuls na invertirajući ulaz (-), pojačalo trenutno reagira i preko povratnog otpornika šalje suprotnu struju kako bi taj ulaz zadržalo na fiksnom potencijalu (npr. na masi). Budući da se napon na ulazu gotovo ne mijenja bez obzira na struju koja u njega ulazi, iz perspektive foto-diode taj ulaz izgleda kao kratki spoj prema masi.
Ovo je općenito svojstvo operacijskih pojačala s negativnom povratnom vezom, ali je u TIA spoju posebno izraženo. Negativna povratna veza prisiljava izlaz da zauzme točno onaj napon koji je potreban da poništi struju na ulazu. Ako opterećenje na izlazu (npr. sljedeći stupanj s LM393) pokuša povući više struje i time stvoriti pad napona, povratna veza to odmah osjeti kao odstupanje na ulazu. Pojačalo trenutno povećava svoju izlaznu struju kako bi kompenziralo taj pad i vratilo napon na točnu vrijednost. Upravo ta sposobnost pojačala da održava fiksni napon bez obzira na opterećenje definicija je niske izlazne impedancije.
Niska ulazna impedancija TIA pojačala omogućuje da foto-diode rade u strujnom režimu, što ih čini vrlo brzim (eliminira se utjecaj njihovog unutarnjeg kapaciteta). Niska izlazna impedancija TIA pojačala pak omogućuje da signal bez gubitaka i izobličenja putuje do slijedećeg stupnja sa komparatorom LM393.
Međutim, u našem slučaju na pločici oko integriranog kruga LM258 ne nalazim komponente koje bi očekivali kod TIA pojačala. Nema otpornika velike vrijednosti (reda MΩ) za dobivanje velikog pojačanja, a ne vidim ni dva kondenzatora manjih vrijednosti koji bi bili vezni za foto-diode. Svakako se vide jednake komponente s obje strane pinova čipa što potvrđuje da se jedno pojačalo koristi za ulaznu, a drugo za izlaznu zavjesu. Otpornici su 2×10 kΩ, 2×30 kΩ i jedan od 6,8 kΩ, a također vidimo i dva para elektrolitskih kondenzatora od 10 µF.
Sve upućuje na klasičnu konfiguraciju neinvertirajućeg pojačala s AC vezom, no ako je otpornik od 30 kΩ (kao najveći otpornik) u povratnoj sprezi, a otpornik od 6,8 kΩ je za pojačanje, onda je pojačanje ovog pojačala svega 5,4 puta. To je relativno malo pojačanje što bi značilo da senzori daju dosta struje ili da se “fina” detekcija odrađuje kasnije u komparatoru LM393. Jedan otpornik od 10 kΩ vjerojatno služi kao pull-up za foto-diode, a drugi postavlja radnu točku (bias) na neinvertirajućem ulazu (+) kako bi pojačalo bilo u linearnom području. Sve su ovo nagađanja jer je iz ovakve pločice nemoguće izvesti elektroničku shemu.
Ipak, mogu barem napraviti mjerenja na konektoru gdje se spajaju foto-diode. Ovdje sam izmjerio da je napon na foto-diodama oko 2,7 V kada su osvijetljene IC izvorom, a raste na vrijednost napona napajanja (cca 6 V) ako se posve prekriju (bez svjetla). To definitivno ukazuje na klasični krug djelitelja napona sa foto-diodom prema masi i pull-up otpornikom prema Vcc. Prolaskom metka nastaje vrlo mali porast (trzaj) napona, reda desetak mV, no već i moj mjerni osciloskop bez problema reagira na tu malu promjenu i okida trigger svaki put kada kroz zavjesu bacim neki mali predmet.
Ovo svakako potvrđuje kako se ovdje ne koristi TIA pojačalo, već klasično naponsko pojačalo (Non-inverting amplifier). Razlog tome je posve sigurno ekonomski. Iako je strujna detekcija (TIA) tehnički bolja, naponska detekcija s pull-up otpornikom je jeftinija za izvesti i ne zahtijeva posebno precizne ili skupe komponente. Kod strujne detekcije, operacijsko pojačalo mora biti vrlo kvalitetno (niski input bias current i offset). LM258 je prastar i jeftin čip koji nije idealan za vrhunska TIA pojačala. Koristeći ga kao obično naponsko pojačalo uz AC vezu (kondenzator), Kinezi su elegantno zaobišli potrebu za kvalitetnijim (skupljim) čipom.
TIA pojačalo je vrlo osjetljivo. Ako promijenite tip foto-diode ili se njezine karakteristike promijene zbog temperature, TIA može postati nestabilna ili oscilirati. Naponski djelitelj (otpornik + diode) je s druge strane posve robustan krug i radit će s gotovo bilo kojom generičkom IC diodom koju proizvođač nađe na prodajnoj akciji taj tjedan. U konačnici, naponski dizajn zahtijeva manje linija na pločici i manje kritičnih točaka oko mase (GND). Za TIA pojačalo trebala bi se izvesti vrlo čista masa i oklopljeni vodovi kako bi se izbjeglo da npr. WiFi signal (ESP8285) “curi” u osjetljivi strujni ulaz.
Kinezi su ovdje dokazali da se svjetlosna zavjesa može izvesti i sa naponskim detektorom, tako da ću to imati u vidu kad krenem sa izradom vlastite zavjese za mjerenje brzine metka na meti (projekt Elektronička meta).
LM393 (Komparator)
Nakon detekcije i pojačanja, signal je i dalje analogan. Da bi mikrokontroler (MCU) znao točan trenutak prolaska, signal se mora pretvoriti u digitalni “puls” koji ima dovoljnu naponsku razinu za promjenu logičkog stanja. LM393 uspoređuje naponski signal iz LM258 sa referentnim naponom (pragom). Kada metak zakloni svjetlo i signal padne ispod praga, LM393 trenutno mijenja stanje iz HIGH u LOW (ili obrnuto). To stvara na izlazu iz komparatora oštar digitalni brid koji MCU koristi kao okidač.
74HC164D (Shift registar)
Ovaj čip vjerojatno služi samo za upravljanje LED zaslonom i ne vidim koju bi mogao imati mjernu ulogu. 74HC164D je obični serijsko-paralelni pretvarač. On samo prima podatke (bitove) jedan po jedan i postavlja ih na svojih 8 izlaza. On nema mogućnost brojanja vremena, obrade signala niti pohrane podataka. U svijetu mikrokontrolera, on je najčešće standardno rješenje za proširenje broja izlaznih pinova (I/O expansion).
Displej na kronometru ima 4 znamenke, a svaka znamenka ima 7 segmenata i decimalnu točku (ukupno 8 segmenata). Da bi mikrokontroler izravno upravljao takvim zaslonom, trebalo bi mu jako puno pinova (najmanje 32 za LCD te još nekoliko za komunikaciju i vanjsko tipkalo). Čak i da se koristi multipleks znamenki LED displeja (koji se gotovo uvijek i koristi), MCU i dalje treba veliki broj pinova (12 pinova za LED displej te uz to 2 pina za ulaze s kronometra (start/stop), 3 pina za tipkalo i dvobojnu LED, 2 za UART (WiFi), te 2 za napajanje. Kako što se vidi, LCD je prilični „potrošač“ pinova te ih na MCU-u brzo ponestane ako se žele implementirati još neke funkcije.
Uz dodatak 74HC164D, mikrokontroleru su dovoljne svega dvije linije (Data i Clock) preko kojih tom čipu šalje podatke o tome koje segmente treba upaliti. 74HC164D zatim drži tih 8 bitova na svojim izlazima koji su spojeni na paralelno vezane segmente (A, B, C, D, E, F, G, DP) sve četiri znamenke. U jednom trenutku je upaljena samo jedna znamenka (multipleksiranje) i te izmjene su vrlo brze tako da ljudsko oko vidi stabilan četveroznamenkasti broj.
Može li moderni MCU sam odraditi posao posmičnog registra 74HC164D?
Sasvim sigurno može i nije u tome problem. Jeftini mikrokontroleri poput 8H1K08 obično dolaze u TSSOP20 kućištu (20 pinova). Veći MCU (npr. s 32 ili 48 pinova) koji bi imao dovoljno izlaza košta znatno više nego kombinacija sa malim MCU i jeftinim posmičnim registrom. 74HC164 košta doslovno par centi. Ovdje se vjerojatno sve svodi na ekonomiju proizvodnje.
Naravno, možemo razmišljati i nešto dalje. Što je više linija kojima MCU mora upravljati to je veća ukupna potrošnja struje MCU-a, što utječe na njegovu dugoročnu stabilnost i generiranje topline. Također, u svijetu preciznih mjerenja (što kronometar jest), dobra je praksa fizički odvojiti brzu digitalnu buku zaslona od osjetljivog dijela mikrokontrolera koji čeka impuls s LM393. Što manje pinova na samom MCU-u “titra” brzim frekvencijama za zaslon, to je manja šansa da se stvori električni šum koji bi mogao uzrokovati lažno okidanje i slično ometanje mjerenja.
Ukratko, 74HC164D sigurno nije tu jer MCU to ne može sam odraditi, nego zato što je to najjeftiniji način da se dobije pouzdan prikaz na zaslonu uz zadržavanje maksimalne preciznosti mjerenja na malom i jeftinom procesoru. Zanimljivo je primijetiti da u tim kineskim uređajima često vidimo komponente koje su bile standardi 1980-ih (poput 74HC serije) u kombinaciji s modernim čipovima poput ESP8285.
STC8H1K08 (mikrokontroler)
Mikrokontroler (MCU) smo već spominjali i njegova primarna zadaća je da pomoću svojih hardverskih tajmera (brojača) mjeri mikrosekunde između dva prolaska metka. Također, implementira vanjsko tipkalo kojim se mijenjaju formule za izračun brzine (m/s ili fps) i kontrolira dvobojnu LED kao indikaciju koja mjerna jedinica je odabrana. Preko UART sučelja komunicira sa WiFi modulom baziranim na čipu ESP8285.
STC8H1K08 je inače “moderni klasik” kineske tvrtke STC Micro koji se temelji na staroj 8051 arhitekturi ali je iznutra potpuno moderniziran. Za razliku od starog 8051 koji je trebao 12 taktova za jednu instrukciju, ovaj čip većinu instrukcija izvršava u samo jednom taktu (1T). To ga čini do 12 puta bržim na istoj frekvenciji. Može raditi do 36 MHz, a interni visokoprecizni R/C oscilator je tvornički kalibriran, pa mu ne treba vanjski kristal.
Od memorija, STC8H1K08 ima 8 KB Flash memorije (za program/kod), 1,28 KB SRAM-a što je za 8-bitni MCU sasvim pristojno te ima EEPROM za pohranu podataka koji ostaju nakon gašenja napajanja. Za ovaj kronometar najvažnija značajka su napredni tajmeri. Ima 5 tajmera, uključujući one koji mogu mjeriti vanjske impulse s velikom preciznošću što je ključno za mjerenje brzine metka. Naravno, kao i većina modernih MCU-a ima ADC i PWM pinove, kao i UART, SPI i I2C komunikacije.
ESP8285 (WiFi)
ESP8285 je zapravo poznati ESP8266, ali u manjem kućištu. On je dizajniran posebno za uređaje gdje je prostor na pločici kritičan. Osim toga, u ESP8285 je interno ugrađeno 1 MB Flash memorije, za razliku od ESP8266 koji je trebao poseban čip za vanjsku memoriju. Jezgra čipa je Tensilica L106 32-bitni RISC mikroprocesor koji radi na taktu od 80 MHz (može se “overclockati” na 160 MHz). To je u oba slučaja puno brže od 8-bitnog MCU-a STC8H1K08 koji mjeri brzinu (36 MHz).
SP8285 je zapravo dovoljno moćan da bi tehnički mogao sam raditi sve (i mjeriti brzinu i slati podatke na LED displej i WiFi), ali je dizajn s dva čipa (STC8H1K08 za mjerenje + ESP za WiFi) puno pouzdaniji jer WiFi procesi ne mogu “zakočiti” precizno mjerenje metka.
Funkcije kronometra HT50 u praksi
S obzirom da kronometar može mjeriti brzinu, računati energiju i pamti 40 (ili 50) mjerenja, a za sve to ima samo jednu tipku i LED displej sa četiri znamenke, onda je jasno da je odabir i postavljanje pojedinih funkcija prilično nepraktično.
Tipkalo je osjetljivo na tri duljine pritiska (kratko, srednje i dugo). Zeleno ili crveno svjetlo LED može treperiti ili stalno svijetliti što je indikacija trenutnog načina rada ili pomoć kod odabira vrste rada preko tipkala. Neki put je potrebno napraviti pauze da bi uređaj zapamtio neki unos. Uz pomoć ovih kombinacija koje se moraju koristiti određenim redoslijedom i na točno određen način, ulazi se u željene načine rada.
Uz uređaj dobijete dva lista uputa o protokolu pritiskanja tog jednog tipkala da bi se došlo u određenu vrstu prikaza, da bi se unio podatak o težini projektila ili da bi se listalo zadnjih 40 (50) mjerenja. Vjerojatno nikad nećete naučiti te protokole i na kraju ćete uređaj koristiti samo za mjerenje brzine u m/s ili fps. Najgore je što se nakon restarta (isključenje i uključenje uređaja) sve vraća na početne postavke.
Iako je deklarirano 40 zapisa u memoriju, na mojem uređaju ima 50 memorijskih mjesta. Kretanje kroz zapise je sporo i kod listanja memorija treba preko sekunde da se jedna memorija prikaže i omogući prelazak na slijedeću memoriju. Također, čini se da listanje radi samo u jednom smjeru tako da morate proći svih 50 memorija da se vratite na neku prethodnu. Nisam našao način da memorija ostane zapamćena nakon gašenja uređaja.
Od računanja energije projektila preko kronometra je bolje odmah odustati. To traži kompliciranu proceduru upisa i memoriranja težine projektila. Daleko je brže prepisati rezultate o brzini i onda si sam izračunati energiju na osnovu težine projektila preko nekog kalkulatora.
WiFi u praksi
Da bi WiFi uopće radio, potrebno je na vanjsku priključnicu dodati zasebno napajanje od 5 V. Razlog ovome je moguće veća potrošnja WiFi čipa (može povući i preko 200-300 mA u kratkim intervalima). Međutim, vjerojatniji razlog je to što se WiFi modul na ovim uređajima kupuje opcionalno, odnosno za koji dolar nižu cijenu možete naručiti ovakav isti kronometar bez Wifi-a. Kinezi jednostavno na osnovni model zaleme WiFi modul ESP8285 i dodaju vanjsku priključnicu za napajanje istog. Kako god bilo, vrlo je nespretno na terenu uz interne baterije nositi još jedno napajanje samo za WiFi.
U ovom kronometru WiFi čip ESP8285 radi kao mini web poslužitelj (Web Server). On u svojoj memoriji drži jednostavan HTML kod koji web preglednik učitava kada upišete njegovu IP adresu (8.8.8.8.). Potrebno se spojiti na WiFi mrežu kronometra naziva HT50 i upisati zaporku 88888888.
S obzirom da kronometar ima samo 4-znamenkasti displej čini se da WiFi nije loša opcija za preglednije praćenje rezultata mjerenja, primjerice na mobitelu. Međutim, web sučelje je vrlo jednostavno i omogućuje pregled samo 10 zadnjih mjerenja.
Spajanje na kronometar preko WiFi-a je jednako frustrirajuće kao i biranje načina rada preko jedne tipke. Komunikacija je spora i vrlo nepouzdana sa čestim „pucanjem“ veze. Iako je problem vjerojatno u lošem softveru, ne pomaže ni to što je WiFi modul sa antenom smješten unutar zatvorenog aluminijskog kućišta kronometra.
WiFi čip (ESP8285) vjerojatno ne čita cijelu memoriju iz MCU-a, nego prima samo onaj podatak koji “izleti” u trenutku hitca. Programer je u HTML kodu predvidio tablicu sa samo 10 redaka tako da čak i ako MCU ima 50 mjerenja, on nema način da ih “ugura” u loše napisanu web stranicu koja ne podržava listanje ili dinamičko dodavanje redaka. Ukratko, nakon stalnih problema sa spajanjem preko WiFi-a, ničim izazvanima prekidima veze, sporim osvježavanjima ekrana i drugih problema, nakon nekog vremena odustao sam od detaljnog istraživanja ovog (nedovršenog) sučelja za koje ne postoje nikakve upute.
Prema usporednim testovima sa boljim i renomiranim kronometrima, čini se da je točnost mjerenja ovog jeftinog kronometra posve zadovoljavajuća. Jedan od razloga za ovo je relativno veliki razmak između ulazne i izlazne svjetlosne zavjese od 28,5 cm. Što je razmak veći to će kronometar imati manju pogrešku uslijed mogućih malih geometrijskih pomaka u razmaku zavjesa, što je kod ovog kronometra moguće s obzirom na način montaže.
Primjerice, ako se šipke koje drže IC diode iskrive za ±1 cm, što je ovdje lako moguće, to će uzrokovati pogrešku mjerenja od 3,5 %. Za prosječnu brzinu metka iz zračne puške od 200 m/s to je pogreška od 7 m/s što nije problem za okvirna mjerenja kod jeftinijih pušaka, no može utjecati na podešavanja preciznih pušaka.
Iako se većim razmakom između zavjesa postiže veća tolerancija na točni razmak, zbog veće putanje metka točnost onda više kvari i kut pod kojim se puca. Ako se ne puca savršeno paralelno s kućištem, već pod kutom, putanja metka kroz uređaj postaje duža od onih 28,5 cm, što sustav interpretira kao pogrešnu (manju) brzinu.
Kod kronometara ovakvih konstrukcija nerijetko se događa da se metkom pogodi neki konstrukcijski dio samih zavjesa (nosači ili IC diode) što je često teško ili neisplativo popraviti. Neki kronometri se montiraju izravno na cijev puške, a neki se montiraju pored cijevi puške (radarski kronometri). Ovo je u mnogo slučaja praktičnija i preciznija montaža, no može smetati kod preciznog ugađanja (tuniranja) pušaka jer su takvi kronometri zapravo strani teret na pušci ili na ustima cijevi koji može utjecati na izlaznu putanju metka.
Na kraju se sam se ipak odlučio potruditi i izvesti elektroničku shemu ovog kronometra jer mi ovaj dizajn može pomoći u izradi svjetlosne zavjese za moj projekt elektroničke mete.
Elektronička shema jednog kanala (jedne svjetlosne zavjese) kronometra. Oba kanala su identična.
Kao što sam i pretpostavio, ovo je očekivani “low-cost” pristup gdje se odustaje od idealnog strujnog pojačala (TIA) i koristi se jednostavniji naponski detektor promjene svjetla. Razlog svakako nije što je to bolje, nego što je jeftinije, stabilnije i dovoljno dobro za ovu primjenu.
Paralelno spojenih 12 foto-dioda preko pull-up otpornika od 10 kΩ daju naponski signal za detekciju. Signal se vodi preko kondenzatora od 10 µF koji ovdje služi za AC spregu (visoko-propusni filtar). On blokira spore promjene napona koje izaziva ambijentalno svjetlo i propušta samo brze promjene napona koje uzrokuje metak u preletu kroz zavjesu.
Prvi stupanj – operacijsko pojačalo LM258
Naponski impulsi se dovode na neinvertirajući ulaz operacijskog pojačala, odakle vodi otpornik od 30 kΩ na masu. Taj otpornik definira referencu (bias) za naponsko pojačalo. Klasična negativna povratna sprega uključuje otpornike od 30 kΩ i 6,8 kΩ što određuje pojačanje od 5,4 puta.
Zašto u prvom stupnju nije uobičajeno TIA pojačalo, nego naponsko pojačalo niskog pojačanja. Glavni razlog je svakako u stabilnosti ulaznog pojačala. Ovo je spoj jednostavnog neinvertirajućeg pojačala koje je vrlo stabilno, predvidivo i bez oscilacija. TIA bi bio bolji izbor, ali takvo pojačalo je puno više osjetljivo na šum i lakše ulazi u oscilacije (nestabilnost). To znači da bi trebalo ugraditi kvalitetnije operacijsko pojačalo, raspored elemenata i tiskanih veza izvesti tako da se spriječe neželjene nestabilnosti, a vjerojatno bi trebalo napraviti i neka podešavanja (potenciometri). To svakako poskupljuje cijenu materijala, traži specifičan dizajn PCB-a i vjerojatno podešavanje nakon montaže (ugađanje referentnih napona).
Drugi stupanj – tranzistorsko pojačalo S8050
Izlazni signal iz operacijskog pojačala se opet preko kapacitivne veze vodi na slijedeći stupanj pojačanja sa tranzistorom S8050. Ovaj stupanj, osim pojačanja, također i oblikuje naponske impulse tako da su već blizu čistih digitalnih impulsa.
S obzirom da je ovo tranzistorsko pojačalo sa zajedničkim emiterom, izlazni impuls je invertiran, odnosno negativan.
Treći stupanj – komparator LM393
Slijedeći stupanj sa komparatorima LM393 je također izveden na najjednostavniji mogući način (svega dvije vanjske komponente), no opet prilično promišljeno.
U klasičnom spoju ulazni signal se vodi na neinvertirajući ulaz komapratora, dok se invertirajući ulaz postavlja na neki fiksni napon, obično preko djelitelja napona sa otpornicima, preko zener-diode, raznih naponskih stabilizatora i slično. U našem slučaju, referentni napon na invertirajućem ulazu nije fiksno postavljen. Komparator ovdje zapravo ne uspoređuje signal s nekim drugim (vanjskim) naponom, nego uspoređuje vlastiti signal, sa vlastitim signalom s vremenskim pomakom. Radi dakle kao detektor naglog pada signala (edge detektor),
Evo što se točno događa:
Već smo rekli da tranzistorski stupanj invertira signal. To znači da kada nema ulaznog impulsa, izlaz je na razini (blizu) Vcc, recimo 5 V. Kada se pojavi impuls, izlazni napon kratkotrajno padne blizu GND, recimo na 0 V.
U mirnom stanju, kad nema metka, napon na neinvertirajućem ulazu (V+) je 5 V. Pošto dioda vodi, napon na invertirajućem ulazu (V-) je 4,3 V (5 V umanjeno za pad napona na diodi). S obzirom da je V+ veće od V- sustav je stabilan i komparator ne daje promjenu na izlazu.
Kada prođe metak, napon na V+ naglo padne sa 5 V na 0 V. Kod takve polarizacije dioda se brzo zatvara i ne vodi. Međutim napon na V- koji je bio 4,3 V treba neko vrijeme da se preko otpornika 1 kΩ isprazni na masu. U tom vremenu komparator već reagira i mijenja izlaz jer je V- veće od V+.
Kada impuls prođe i napon od 5 V se vrati na V+, dioda opet provede, i V- se brzo postavi na 4,3 V.
Ovdje je ključno primijetiti da komparator reagira samo u kratkom vremenu kada V- ne može pratiti brzi pad napona na V+ jer mu treba vrijeme da prethodni napon isprazni preko otpornika 1 kΩ te internih i parazitskih kapaciteta u elektroničkom krugu. Ovaj mali trik koji ignorira spore promjene i reagira samo na brze promjene dodatno „filtrira“ spore promjene (ambijentalno svjetlo) od brzih promjena (metak). Isto tako, s obzirom da uspoređuje dva napona s istog izvora, komparator se automatski prilagođava razini signala.
RC konstanta
U našoj shemi je dodan samo otpornik od 1 kΩ bez kondenzatora. Međutim, mora postojati i neki kapacitet da bi se dobila RC konstanta. Ovdje se očito računalo na ulazni kapacitet LM393 koji je 5-10 pF i na parazitski kapacitet vodova i okolnih komponenti i spojeva koji može biti 5-20 pF. To bi značilo vremensku konstantu negdje u rasponu 10-20 ns. LM393 može reagirati na tako brze promjene napona na ulazima, no potrebno mu je puno duže vrijeme (300 ns – 1,3 µs) da se na izlazu pojavi i signal te promjene.
Promjenom otpornika od 1 kΩ ili dodatkom vanjskih kondenzatora vjerojatno bi mogli mijenjati vremenski okvir reakcije na ulazne impulse. Ipak, prevelike ili premale RC konstante brzo će utjecati na šum i pouzdanost reakcije kao i na oblik izlaznog impulsa iz komaparatora, tako da i tu treba biti unutar optimalnih vrijednosti.
Na kraju kad se uračuna vrijeme reakcije svih elementa detekcije: 12 paralelno spojenih foto-dioda (0,5 – 2 µs), neinvertirajuće pojačalo LM258 (2 – 5 µs), tranzistorsko pojačalo S8050 (0,1 – 0,5 µs), komparator LM393 (1 – 5 µs), ukupno kašnjenje ovog kronometra bi bilo cca 5–10 µs.
Ako sad uzmemo najgori slučaj da mjerimo brzinu najkraće dijabole od 5 mm, teoretskim izračunom dobivamo da bez problema mjerimo brzine do 300 m/s dok bi granica bila negdje na 800 m/s. Kinezi deklariraju brzinu od 1000 m/s i to je upravo na granici ukupnog kašnjenja.
Realno, ako uzmemo da impuls mora biti barem dva puta dulji od kašnjenja i ako uzmemo 8 µs kao srednju vrijednost kašnjenja kronometra, onda bi mogli pouzdano mjeriti brzine do 625 m/s. Za duže projektile (>5 mm) brzine bi bile veće, no sve u svemu deklarirani podatak od 1000 m/s nije daleko od istine, uz određene uvjete.
Ja sam testirao ovaj kronometar sa kalibrima 4,5 mm i 6,35 mm do brzina 350 m/s i nisam imao niti jednu propuštenu ni lažnu detekciju, a i sva mjerenja su bila prilično konzistentna.











