Danas su nabavljena dva stabilizirana izvora napajanja izrađena u samogradnji, jedan od 5V i drugi od 9V. Prema oznakama na prednjoj ploči oba izvora mogu isporučiti struju jačine 1A.
Stabilizirani izvor napajanja od 5V sa zadnje strane ima tranzistor snage AD457 (PNP, Ge, 40V, 5A) montiran na hladilo što ukazuje da se ovdje radi o tranzistorskom stabilizatoru napona koji vjerojatno može podnijeti struje i veće od 1A.
STABILIZIRANI IZVOR NAPAJANJA OD 5V
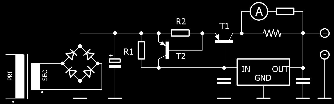
U unutrašnjosti nalazimo očekivane komponente: mrežni transformator te pločica sa ispravljačem (četiri diode u Graetzovom spoju za punovalno ispravljanje), naponskim filtrom (elektrolitski kondenzator) i stabilizatorom napona. U stabilizatorskom dijelu nalazimo dva tranzistora: BD136L (PNP, Si, 40V, 1,5A) i spomenuti AD457 na hladilu, zatim dva otpornika malih vrijednosti, dva blok kondenzatora i regulator napona 7805 također montiran na hladilo. Ove komponente u stabilizatorskom dijelu ukazuju da se radi o stabiliziranju napona od 5V pomoću regulatora napona 7805 ali kojemu je dodani tranzistorski sklop za povećanje izlazne struje regulatora. Naime standardni regulatori serije 78xx obično su građeni za struje do najviše 1A i to uz obaveznu upotrebu hladila (postoje regulatori i za veće struje ali oni su teže dobavljivi i cjenovno osjetno skuplji).
Dva najčešća načina povećanja izlazne struje iz stabilizatora serije 78xx je upotreba više paralelno spojenih stabilizatora (koliko stabilizatora se spoji paralelno toliko se poveća i maksimalna izlazna struja) ili dodatak tranzistorskog “shunta” koji na sebe preuzima vođenje dijela izlazne struje. U takvom spoju jačina izlazne struje ograničena je samo karakteristikama tranzistora u izlaznom stupnju, dakle u našem slučaju ona bi mogla ići do 5A, naravno, ukoliko bi takvu struju mogao isporučiti i ugrađeni mrežni transformator.
Tranzistorski “shunt” za povećanje izlazne struje regulatora u našem stabilizatoru je vrlo jednostavan i sastoji se od dva tranzistora i dva otpornika. Tranzistor T1 i R1 čine paralelnu strujnu granu za povećanje izlazne struje regulatora, a tranzistor T2 i otpornik R2 služe za zaštitu tranzistora T1 od preopterećenja, odnosno kratkog spoja na izlaznim stezaljkama regulatora. Važno je dobro izračunati vrijednosti otpornika R1 i R2 kako bi kako bi preusmjeravanje struje i uključivanje zaštite proradilo kod željenih vrijednosti struje.
Princip rada paralelne strujne grane je slijedeći: kada struja prema regulatoru 7805 pređe određenu vrijednost tada pad napona na otporniku R1 pređe prag okidanja tranzistora, pa on počne voditi. Dakle otpornik za ograničenje struje R1 treba odrediti tako da kad se struja približi vrijednosti najvećoj dozvoljenoj za regulator (npr. za regulator od 1A neka to bude oko 0,7A) tada bi pad napona na otporniku trebao preći prag napona baze za okidanje tranzistora T1 (tipično oko 0,7V).
Isto tako, u krugu zaštite tranzistora T2 od preopterećenja strujni otpornik R2 treba odrediti tako da kad se struja približi vrijednosti najvećoj dozvoljenoj za T2 (npr. za naš tranzistor od 5A neka to bude 3A) tada bi pad napona na otporniku trebao preći prag napona baze za okidanje tranzistora T2 (tipično oko 0,7V). Kada tranzistor T2 provede, preusmjeri kolektorsku struju natrag u regulator 7805 koji pak ima ugrađenu vlastitu zaštitu od preopterećenja koja se u tom trenutku uključi i zaštiti strujne krugove.
Svi znamo da komponente ne treba opterećivati do maksimalnih dozvoljenih vrijednosti, pa računamo sa opterećenjima do nekih 70% kako bi se komponente manje grijale i imale duži vijek trajanja. Postoje gotove formule za izračun vrijednosti strujnih otpornika s obzirom na karakteristike tranzistora i željene jačine struje, no nama je ovdje dovoljno primijetiti da kroz strujni otpornik u paralelnoj strujnoj grani protječe maksimalna struja oko 700 mA (ili manja ako želimo regulator 7805 što manje opteretiti), dok kroz strujni otpornik u krugu zaštite tranzistora teče struja 3A (ili veća ako želimo izvući iz tranzistora izvući maksimum). Stoga navedeni otpornici moraju biti predviđen za te struje (u našem slučaju R2 je izveden od namotane otporne žice, dok je R1 otpornik 0,33Ω / 5W).
Ampermetar ima ugrađeni svoj shunt, no autor ovog stabiliziranog ispravljača vjerojatno nije imao shunt odgovarajuće vrijednosti pa je korekciju napravio još jednim dodanim predotpornikom.
Na prednjoj ploči ispravljača stoji oznaka 5V / 1A. S obzirom na veličinu jezgre mrežnog transformatora ovaj stabilizator napona vjerojatno i ne može isporučiti puno veću struju od 1A no u konačnici bi bilo najbolje izvršiti mjerenja kako bi se točno vidjelo koliko je ograničenje struje kroz regulator 7805 i koliko je ograničenje struje na izlaznim stezaljkama.
STABILIZIRANI IZVOR NAPAJANJA OD 9V
Kod ovog stabilizatora napajanja shema je vrlo jednostavna i sastoji se samo od mrežnog transformatora sa srednjim izvodom na sekundaru te pločice sa ispravljačem (dvije diode za punovalno ispravljanje), naponskim filtrom (elektrolitski kondenzator) i stabilizatorom napona 7809.
Punovalno ispravljanje izmjenične struje na izlazu iz mrežnog transformatora može se izvedi kombinacijom sa četiri diode (Graetzov spoj), ali i kombinacijom sa dvije diode ukoliko sekundar tranformatora ima srednji izvod. U tom slučaju štedimo dvije diode za punovalno ispravljanje, no obje sekundarne polovice namota moraju biti za puni napon (npr. 1x9V za četiri diode ili 2x9V za dvije diode) čime se poskupljuje izvedba transformatora.
U današnje vrijeme svaki elektroničar je za svoju radionicu zasigurno već nabavio ili izradio stabilizirani naponski i strujni izvor napajanja s mogućnošću kontinuiranog reguliranja izlaznog napona i ograničenja izlazne struje, uobičajeno 0-30V / 0-3A. Nekada komponente za takvu gradnju kod nas nisu bile široko dostupne, a posebno nije bilo jeftino nabaviti transformator 30V/3A za takav projekt. Stoga su naši stabilizatori napravljeni od transformatora izvađenih iz nekih rashodovanih elektroničkih uređaja, a vjerojatno i većima drugih komponenti potječe iz istog izvora.
Lako je danas uzeti neko SMPS (switching-mode power supply) napajanje iz računala kojih ima doslovno posvuda i koristiti ga kao snažan izvor stabiliziranog napona napajanja od 12, 5 i 3,3 V. Lako je danas i jeftino kupiti i neko gotovo laboratorijsko napajanje 0-30V / 0-5A. Međutim, malo teže je naučiti vrste i principe rada takvih stabiliziranih izvora napajanja, a to je gradivo koje je svaki elektroničar u samogradnji ipak do određene mjere morao praktično savladati 🙂













