Danas je nabavljen univerzalni mjerni instrument austrijske tvrtke Goerz Electro Ges.m.b.H. pod nazivom UNIGOR 3 iz 1959. godine. Ovim instrumentom moguće je mjerenje izmjeničnih i istosmjernih struja i napona, te električnog otpora i kapaciteta.
Mjerni opsezi lako se isčitavaju iz oznaka na sklopki za odabir mjernih opsega i oznaka na skali. Sve kontrole su jasno označene i ne treba ih posebno objašnjavati. Uočavaju se dva gumba bez oznaka ispod skale instrumenta: lijevo je sklopka za ponovno uključivanje ugrađenog zaštitnog releja (sklopke) u slučaju da dođe do njenog izbacivanja, a desno je potenciometar za namještanje nule kazaljke instrumenta kod mjerenja otpora i kapaciteta.
Sa ploče na zadnjoj strani instrumenta tijekom vremena gotovo do kraja su se izbrisale otisnute upute za korištenje i tehnički podaci. Ispod poklopca prvo se uočava mjerni transformator za izmjenične napone i struje, ležište za bateriju tipa R10 od 1,5V, mjerni otpornici, te otisnuti otpornik u krugu ugađanja izmjeničnih strujnih opsega.
Na bočnoj strani se uočava zaštitni relej čija je zavojnica vezana serijski sa instrumentom, a sklopkom releja se prekida ulazna mjerna priključnica. Vrijeme reakcije ovog zaštitnog releja je od 0,005 do 0,01 sekunde.
Evo shematskog prikaza toga zaštitnog releja.
Još nekoliko pogleda na bočne strane instrumenta otkriva mjerne otpornike i strujne shuntove te slojevitu (sendvič) montažu pločica instrumenta.
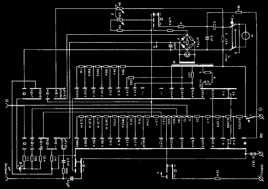
Na električnoj shemi mjernog instrumenta UNIGOR 3 uočavaju se njegove specifičnosti:
- S – zaštitni relej (sklopka)
- W – mjerni transformator za opsege izmjeničnih struja i napona
- G – spoj poluvalnog ispravljača napona za instrument na sekundaru mjernog transformatora sa tinjalicom za prenaponsku zaštitu instrumenta
Dok se mjerenja struje i napona vrše izravno na odgovarajućim mjernim opsezima i priključnicama, za mjerenja kapaciteta kao i većih otpora potrebno je dovesti vanjski izvor odgovarajućeg napajanja. Ovo je potrebno iz razloga jer ugrađena baterija od 1,5V nije dostatna za mjerenje većih otpora, a za mjerenje kapaciteta potrebano je dovesti vanjski izmjenični napon jer UNIGOR 3 nema svoj vlastiti oscilator izmjeničnog napona.
Evo sheme spajanja instrumenta UNIGOR 3 za pojedine opsege mjerenja otpora i kapaciteta:
Karakteristika većine starijih tipova univerzalnih instrumenata je da im je za mjerenje kapacitea i većih otpora potrebno dovesti dodatno vanjsko napajanje. Kod instrumenta UNIGOR 3 ipak je pri tome prednost što se za sva mjerenja može iskoristiti direktni mrežni napon. Sve što smo rekli za već opisani slični instrument MTM VIELFACHMESSER III vrijedi i za UNIGOR 3: lijep primjerak vintage univerzalnog mjernog instrumenta koji je uvijek poželjan; nekad kao dio kvalitetne mjerne opreme svakog električara, a danas kao dio lijepe kolekcije vintage mjernih instrumenata… također svakog električara 🙂









Sehr schöne Seite, ich würde noch ein Servicemanual für das Unigor 3 suchen, können Sie mir dabei weiterhelfen?
Ich habe das gerät vor zwei Wochen am Flohmarkt in Tulln erstanden, Mechanisch alles OK, Meßwerk OK
jedoch sin zwei Widerstände unsachgemäß repariert worden…